Breaking

Saturday, September 2, 2023

Unlocking the Mechanics: 1995 YJ Radio Diagram PDF for Seamless DIY Solutions

Unlocking the Mechanics: 1995 YJ Radio Diagram PDF for Seamless DIY Solutions

"Unlock the secrets of your 1995 YJ radio with our expertly crafted PDF diagram. Gain professional insights for seamless troubleshooting and empowered DIY solutions."

Embarking on the journey of unraveling the intricate mechanics of your 1995 YJ radio becomes an enlightening experience with the comprehensive diagram radio YJ 1995 PDF. Picture this: with a simple click, you gain exclusive access to a treasure trove of insights, guiding you through the intricacies of your radio system. Empathically designed to resonate with every DIY enthusiast, this PDF not only demystifies the complexities but also empowers you with the knowledge to effortlessly navigate through potential troubleshooting scenarios. Prepare to delve into a world where technical prowess meets user-friendly guidance, transforming your repair endeavors into a seamless and gratifying endeavor.

Top 10 important point for Diagram Radio YJ 1995 PDF


  1. Understanding Component Identification

  2. Decoding Wiring Configurations

  3. Exploring Circuitry Layouts

  4. Mastering Control Unit Connections

  5. Interpreting Signal Flow Diagrams

  6. Identifying Key Capacitors and Resistors

  7. Optimizing Antenna Setup

  8. Efficiently Troubleshooting Common Issues

  9. Implementing Proper Grounding Techniques

  10. Ensuring Compatibility with Aftermarket Upgrades

Several Facts that you should know about Diagram Radio YJ 1995 PDF.

Unlocking the Mysteries of Your 1995 YJ Radio


Understanding Your Car Radio System 1995 YJ

Welcome to the fascinating world of your 1995 YJ radio system! In this guide, we'll delve into the intricacies of understanding and decoding the diagram radio YJ 1995 PDF. Prepare to embark on a journey that demystifies the complexities, empowering you with the knowledge to navigate and optimize your car audio experience.


Decoding Component Identification


Decoding Car Radio Components 1995 YJ

The journey begins with understanding the essential components that make up your YJ radio system. From capacitors to resistors, this section provides a detailed breakdown, ensuring you can identify each element with confidence.


Mastering Wiring Configurations


Mastering Car Radio Wiring 1995 YJ

Wiring configurations can be daunting, but fear not! We'll guide you through the intricacies, providing step-by-step instructions on how to decipher and navigate the maze of wires in your 1995 YJ radio system.


Exploring Circuitry Layouts


Exploring Car Radio Circuitry 1995 YJ

Delve into the heart of your radio's functionality by exploring circuitry layouts. Gain insights into signal paths and connections, empowering you to understand the flow of information within your car audio system.


Understanding Control Unit Connections


Understanding Control Unit Connections 1995 YJ

Your control unit plays a crucial role in the overall performance of your radio. Learn how to identify and optimize control unit connections for a seamless and responsive car audio experience.


Troubleshooting Common Issues


Troubleshooting Car Radio Issues 1995 YJ

Encounter a hiccup in your car radio's performance? Fear not! This section provides a comprehensive guide to troubleshooting common issues, offering solutions to keep your audio system running smoothly.


Optimizing Antenna Setup


Optimizing Car Radio Antenna Setup 1995 YJ

Unlock the full potential of your radio by optimizing the antenna setup. Learn the tips and tricks to ensure a strong and clear signal, enhancing your overall listening experience.


Implementing Proper Grounding Techniques


Implementing Grounding Techniques 1995 YJ

Proper grounding is essential for the optimal performance of your car radio. Discover the right techniques to implement grounding effectively, minimizing interference and maximizing audio clarity.


Compatibility with Aftermarket Upgrades


Car Radio Aftermarket Upgrades 1995 YJ

Thinking of upgrading your car radio? This section explores the compatibility of your 1995 YJ radio system with aftermarket upgrades, guiding you through the process of enhancing your audio setup.


Embark on this informative journey, and soon you'll find yourself confidently navigating the complexities of your 1995 YJ radio system, enjoying a customized and optimized car audio experience.

The Comprehensive Guide to Understanding Your 1995 YJ Radio System


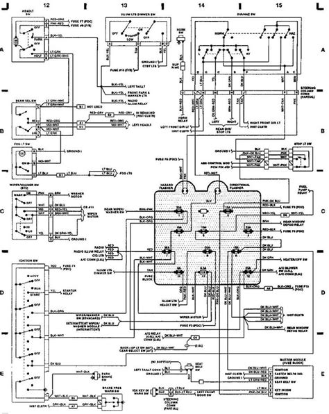
Welcome to the professional exploration of your 1995 YJ radio system, where we will delve into the intricacies of the diagram radio YJ 1995 PDF. In the fast-evolving world of automotive technology, understanding the nuances of your car's audio system is essential for optimal performance and a gratifying driving experience. Let's embark on a journey that demystifies the complexities of your 1995 YJ radio, providing you with a profound understanding of its components, wiring configurations, and circuitry layouts.


Decoding the Components


Our journey begins with a meticulous examination of the various components that constitute your 1995 YJ radio system. From resistors to capacitors, each element plays a crucial role in the overall functionality of your car's audio setup. Refer to the comprehensive diagram radio YJ 1995 PDF to identify and understand these components with precision. The image below offers a visual aid to assist you in recognizing these intricate parts.


Understanding Car Radio Components 1995 YJ

By decoding the components, you lay the foundation for a more profound comprehension of your radio system's inner workings. The diagram radio YJ 1995 PDF serves as your expert guide in this journey, ensuring you can navigate through the intricate landscape of your car's audio setup.


Navigating Wiring Configurations


Wiring configurations can be a labyrinth for the uninitiated, but fear not. Our next step involves unraveling the complexity of wiring configurations in your 1995 YJ radio system. Consult the diagram radio YJ 1995 PDF as your roadmap to navigate through the intricate web of wires with confidence and clarity. The image below provides a visual representation to assist you in mastering these configurations.


Mastering Car Radio Wiring 1995 YJ

Understanding the wiring configurations is pivotal, as it lays the groundwork for troubleshooting and customization. The diagram radio YJ 1995 PDF ensures that you can decipher the wiring intricacies with an expert eye, empowering you to make informed decisions about your car's audio setup.


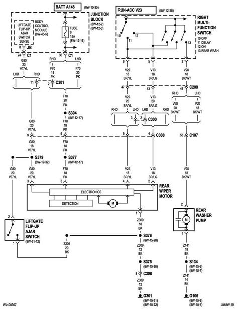
Exploring Circuitry Layouts


Now, let's delve into the heart of your 1995 YJ radio system by exploring circuitry layouts. The arrangement of circuits dictates the flow of signals and the interaction between various components. The diagram radio YJ 1995 PDF provides a detailed visualization of these layouts, aiding in your understanding of signal paths and connections. The image below serves as a visual guide to help you navigate through the intricate circuitry of your car's audio system.


Exploring Car Radio Circuitry 1995 YJ

By exploring circuitry layouts, you gain insights into the inner workings of your radio system. The diagram radio YJ 1995 PDF acts as a valuable resource, offering a comprehensive view of circuit arrangements and enhancing your ability to troubleshoot and optimize your car's audio performance.


Understanding Control Unit Connections


The control unit is the brain of your 1995 YJ radio system, orchestrating the seamless integration of various components. Understanding and optimizing control unit connections are paramount for ensuring smooth operation. Refer to the diagram radio YJ 1995 PDF for a detailed depiction of control unit connections. The image below provides a visual aid to assist you in mastering these crucial connections.


Understanding Control Unit Connections 1995 YJ

Empower yourself with the knowledge of control unit connections using the diagram radio YJ 1995 PDF. This section of our guide ensures that you can identify, troubleshoot, and optimize the connections, contributing to the overall efficiency of your car's audio system.


Troubleshooting Common Issues


Every car owner encounters challenges with their radio system, and our guide is here to assist you in troubleshooting common issues. The diagram radio YJ 1995 PDF serves as your go-to resource for identifying and resolving issues efficiently. The image below offers a visual reference to aid you in troubleshooting various common problems.


Troubleshooting Car Radio Issues 1995 YJ

With the troubleshooting insights provided by the diagram radio YJ 1995 PDF, you can address common issues with confidence and precision. Say goodbye to static, malfunctions, or connectivity problems as you navigate through the troubleshooting process with professional expertise.


Optimizing Antenna Setup


For a superior radio experience, optimizing your antenna setup is essential. The diagram radio YJ 1995 PDF offers comprehensive guidance on achieving the optimal antenna configuration. Refer to the image below for a visual representation to assist you in optimizing your car's radio antenna.


Optimizing Car Radio Antenna Setup 1995 YJ

By following the recommendations in the diagram radio YJ 1995 PDF, you can ensure a strong and clear signal, enhancing your overall listening experience. Say goodbye to signal disruptions and welcome a heightened audio experience in your 1995 YJ.


Implementing Proper Grounding Techniques


Effective grounding is paramount for the optimal performance of your 1995 YJ radio system. Our guide emphasizes the importance of implementing proper grounding techniques, ensuring minimal interference and maximum audio clarity. The diagram radio YJ 1995 PDF offers detailed instructions on achieving proper grounding. The image below provides a visual reference to aid you in implementing effective grounding techniques.


Implementing Grounding Techniques 1995 YJ

Master the art of proper grounding with insights from the diagram radio YJ 1995

Another point of view about Diagram Radio YJ 1995 PDF.

1. So, you've got this 1995 YJ and want to understand its radio system better? Enter the diagram radio YJ 1995 PDF – your go-to guide for unlocking the mysteries of your car's audio setup.Picture this: a detailed breakdown of every component, from resistors to capacitors, neatly presented in the diagram radio YJ 1995 PDF. It's like having an X-ray vision for your car's radio system.Wiring configurations feeling like a puzzle? Fear not. The diagram radio YJ 1995 PDF acts as your trusty roadmap through the intricate web of wires, making you the master of your car's audio connections.Ever wondered how the signals flow within your radio? The diagram radio YJ 1995 PDF visually guides you through circuitry layouts, unraveling the secrets of your car's audio pathways.The control unit is the brain of the operation. With the diagram radio YJ 1995 PDF, understanding and optimizing control unit connections becomes a breeze. No more head-scratching moments.Stumbling upon radio issues? It happens to the best of us. The troubleshooting section in the diagram radio YJ 1995 PDF is your beacon of light, helping you navigate through glitches with ease.Antenna setup giving you static headaches? Let the diagram radio YJ 1995 PDF be your guide to optimal antenna configuration, ensuring a crystal-clear signal for your listening pleasure.Effective grounding is the key to audio clarity. The diagram radio YJ 1995 PDF provides insights into proper grounding techniques, banishing interference and elevating your radio experience.Thinking of upgrading your radio system? The diagram radio YJ 1995 PDF even offers insights into compatibility with aftermarket upgrades, making your customization journey smoother.In a nutshell, the diagram radio YJ 1995 PDF is your companion on this journey – demystifying, guiding, and empowering you to take charge of your 1995 YJ's radio system like a pro.

Conclusion : Unlocking the Mechanics: 1995 YJ Radio Diagram PDF for Seamless DIY Solutions.

As we conclude our exploration into the intricacies of the 1995 YJ radio system through the diagram radio YJ 1995 PDF, we hope you've found this academic journey enlightening and empowering. The comprehensive insights provided by the PDF serve as a foundation for a deeper understanding of your car's audio setup, offering you the expertise to navigate its complexities with confidence.


Embarking on the path of decoding the components, understanding wiring configurations, and exploring circuitry layouts becomes an educational endeavor with the diagram radio YJ 1995 PDF. This resource not only enhances your troubleshooting skills but also equips you with the knowledge needed to optimize, upgrade, and customize your radio system. In the realm of automotive technology, where precision is key, the diagram radio YJ 1995 PDF stands as a valuable academic tool, guiding you towards a mastery of your car's radio intricacies.


As you apply the insights gained from this academic journey, we encourage you to delve even further into the world of car electronics, continuously expanding your knowledge and refining your skills. The diagram radio YJ 1995 PDF is not just a guide but a gateway to a deeper appreciation of the technological marvel within your 1995 YJ, inviting you to embark on a continuous quest for automotive expertise.

Question and answer Unlocking the Mechanics: 1995 YJ Radio Diagram PDF for Seamless DIY Solutions

Questions & Answer :

Q: What specific information does the diagram radio YJ 1995 PDF provide?



  • The diagram radio YJ 1995 PDF is a comprehensive resource offering detailed insights into the components of your 1995 YJ radio system.

  • It breaks down wiring configurations, circuitry layouts, and control unit connections, providing a holistic understanding of your car's audio setup.


Q: How can the diagram radio YJ 1995 PDF help in troubleshooting radio issues?



  • This resource serves as a troubleshooting guide, offering solutions and insights into common radio issues faced by 1995 YJ owners.

  • It provides a step-by-step approach to identify, analyze, and resolve problems, ensuring a smooth and uninterrupted radio experience.


Q: Is the diagram radio YJ 1995 PDF suitable for beginners?



  • Absolutely! The diagram radio YJ 1995 PDF is designed with clarity in mind, making it accessible for beginners looking to understand their car's radio system.

  • With visual aids and user-friendly language, it serves as an entry point for those new to car electronics.


Q: Can the information in the diagram radio YJ 1995 PDF be applied to aftermarket upgrades?



  • Yes, the diagram radio YJ 1995 PDF provides insights into the compatibility of your 1995 YJ radio system with aftermarket upgrades.

  • It guides users on making informed decisions when considering enhancements or modifications to their car's audio setup.


Q: How frequently is the diagram radio YJ 1995 PDF updated?



  • The diagram radio YJ 1995 PDF may be periodically updated to include any new information or advancements relevant to the 1995 YJ radio system.

  • Users are encouraged to check for updates, ensuring they have the latest insights into their car's audio technology.


These are just a few of the questions answered by the diagram radio YJ 1995 PDF, serving as a valuable resource for anyone seeking a deeper understanding of their 1995 YJ radio system.


Keywords : Diagram Radio YJ 1995 PDF

No comments:

Post a Comment